Реле напруги перекосу та послідовності фаз Новатек RNPP-312 – надійний пристрій для контролю та захисту трифазних електричних мереж. Воно призначене для моніторингу допустимого рівня напруги, правильного чергування фаз, запобігання злипанню, а також забезпечення повнофазності та симетричності напруги мережі.
RNPP-312 автоматично вимикає навантаження за неякісної напруги та відновлює живлення після нормалізації параметрів мережі. Пристрій сигналізує про аварійні ситуації та відображає наявність напруги на кожній фазі, дозволяючи оперативно реагувати на проблеми.
Реле пропонує регулювання параметрів, включаючи поріг спрацьовування за напругою, час автоматичного вмикання навантаження (АПВ) та час затримки спрацьовування захисту. Користувач може вибрати контрольовану напругу мережі (400 або 415 В) і налаштувати набір захисних функцій.
RNPP-312 працює в декількох режимах: контроль мінімальної та максимальної напруги, наявність фаз, неправильне чергування та перекіс фаз. При обриві фаз або зниженні напруги нижче 100 на одній або декількох фазах пристрій спрацьовує за 0,2 секунди.
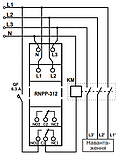
На виході реле має дві групи незалежних перекидальних контактів (NO1-C1-NC1, NO2-C2-NC2). У «холодному стані» контакти C1-NC1 та C2-NC2 замкнуті, а NO1-C1 та NO2-C2 розімкнуті. При спрацьовуванні реле відключення навантаження відбувається через розрив ланцюга живлення котушки магнітного пускача, крім режиму «Контроль максимальної напруги», де використовується зворотна логіка.
Реле RNPP-312 ідеально підходить для захисту трифазного та, в деяких випадках, однофазного обладнання від аварій у трифазній мережі, включаючи аварії по напрузі та неправильне чергування фаз. Він також підходить для холодильних та вентиляційних установок, а також для компактних шаф керування, де важливо економити простір.
Основні можливості пристрою включають контроль рівня напруги, правильного чергування фаз і симетричності напруги мережі, автоматичне відключення навантаження при виникненні умов спрацьовування і можливість відключення захисних функцій.
| Основні | |
|---|---|
| Виробник | Новатек-Електро |
| Країна виробник | Україна |
| Матеріал корпусу | Пластик |
| Тип монтажу | На DIN рейку |
| Мінімальна робоча температура | -35 град. |
| Максимальна робоча температура | 55 град. |
| Дисплей | Ні |
| Індикація | Світлова |
| Ступінь захисту IP | 20 |
| Термін служби | 5 років |
| Технічні характеристики | |
| Кількість фаз | 3 |
| Номінальний струм | 5 А |
| Мінімальна напруга спрацьовування | 200 В |
| Максимальна напруга спрацьовування | 415 В |
| Габаритні розміри | |
| Довжина | 49 мм |
| Висота | 90 мм |
| Ширина | 18 мм |
- Ціна: 1 537 ₴
- Спосіб упаковки: Пакуємо кожен товар самі, коробка (за потребою) + стрейч плівка. Тому за упаковку від нової пошти ви не переплачуєте :)


